-
-
- Narzędzia, sprzęty drobne, akcesoria
- Narzędzia, sprzęt do obróbki papy
- Maszyny blacharskie
- Palniki do zgrzewania papy
- Maszyny dekarskie
- Drabiny
- Betoniarki
- Narzędzia murarskie
- Mieszadła * Mieszalniki * Mieszarki
- Szlifierki * Zacieraczki do tynków
- Narzędzia posadzkarskie
- Frezarki
- Taczki * Wozidła * Wózki
- Zagęszczarki
- Walce do betonu
- Pojazdy cięzarowe * Wózki widłowe * Wózki
- Zacieraczki
- Maszyny do obróbki drewna
- Młoty pnematyczne * Młoty hydrauliczne * Młoty elektryczne
- Nożyce do stali
- Myjki ciśnieniowe
- Spawarki * Zgrzewarki
- Zamiatarki
- Polerki
- Dmuchawy
- Lutownice
- Palniki
- Wiertarki
- Gwoździarki
- Prasy
- Frezy
- Bruzdownice
- Silniki elektryczne
- Buławy mimośrodowe
- Wałki giętkie
- Wciągarki
- Walce
- Lampy * Latarki
- Wkrętarki
- Wyrzynarki
- Gilotyny
- Odkurzacze
- Pilarki
- Strugi
- Prostowniki * Ładowarki akumulatorowe
- Nagrzewnice
- Zaginarki * Krawędziarki
- Zagniatarki
- Zwijarki
- Żłobiarki
- Narzędzia i maszyny tnące
- Wiertnice
-
- Wibratory pogrążalne elektryczne
- Wibratory pogrążalne z przetwornicą
- Wibratory z przetwornicą przenośną
- Wibratory pogrążalne spalinowe
- Wibratory pogrążalne akumulatorowe
- Wibratory przyczepne
- Wibratory przyczepne z przetwornicą
- Wibratory pneumatyczne
- Listwy wibracyjne do betonu
- Listwy wibracyjne akumulatorowe
- Listwy ręczne wyrównujące i akcesoria
- Listwy wibracyjne dwuprofilowe
- Frezarki do betonu
- Szlifierki do betonu
- Zacieraczki ręczne do betonu
- Zacieraczki samojezdne
- Betoniarki elektryczne
- Betoniarki spalinowe
- Mieszadła ręczne
-
- Giętarki do prętów zbrojeniowych
- Nożyce do prętów zbrojeniowych
- Giętarko-nożyce do prętów zbrojeniowych
- Giętarki do strzemion
- Giętarki do zwijania spiral
- Akcesoria do giętarek i giętarko-nożyc
- Nożyce elektryczne do prętów zbrojeniowych
- Nożyce akumulatorowe do prętów zbrojeniowych
- Giętarki i nożyce ręczne do prętów zbrojeniowych
- Wiązarki elektryczne do prętów zbrojeniowych
-
- Sprężarki tłokowe
- Sprężarki śrubowe
- Sprężarki mobilne, sprężarki przenośne, sprężarki do pracy w terenie
- Sprężarki bezolejowe
- Sprężarki stacjonarne
- Sprężarki do eksploatacji ciągłej
- Sprężarki ciche, sprężarki w obudowie dźwiękoszczelnej, sprężarki z izolacją akustyczną
- Sprężarki z napędem bezpośrednim
- Sprężarki z napędem pasowym
- Sprężarki z osuszaczem
- Sprężarki ekonomiczne
- Sprężarki dla motoryzacji
- Sprężarki dla serwisów opon, sprężarki dla wulkanizatorów
- Sprężarki dla rolnictwa, sprężarki dla leśnictwa
- Stacje sprężonego powietrza
-
- IZOHAN - chemia budowlana, hydroizolacja
- ADW - chemia budowlana
- ARMACELL - kauczuki, polietylen
- ATLAS - chemia budowlana
- AUSTROTHERM - styropian
- BAUDER - pokrycia dachowe
- BAUMIT - chemia budowlana
- BOLIX - chemia budowlana
- CERESIT - chemia budowlana
- COROTOP - folie, akcesoria dachowe
- CZAMANINEK - materiały ścienne i stropowe
- DORKEN - folie
- DUPONT - folie
- ERGIS - folie
- FAST - chemia budowlana
- GAMBIT - uszczelnienia
- GENDERKA - styropian
- ICOPAL - pokrycia dachowe, styropian
- IKO - gonty papowe
- ILLBRUCK - chemia budowlana, uszczelnienia
- ISOROC - wełna mineralna
- ISOVER - wełna mineralna
- IZOLACJA JAROCIN - papy, chemia budowlana
- SOLBET - gazobeton
- MARMA - folie
- JKK - chemia budowlana
- IZOLMAT - papy, chemia budowlana
- STEINBACHER IZOTERM - polistyren, poliuretan
- KERAKOLL - chemia budowlana
- KFLEX - kauczuki
- KNAUF INDUSTRIES - styropian
- KNAUF INSULATIONS - wełna mineralna
- KOTAR - styropian, izolacje podłogowe
- KREISEL - chemia budowlana, styropian
- KERABIT - gonty papowe, papy, akcesoria dachowe
- ZĘBIEC - perlit
- WERNER - pokrycia dachowe, papy
- WALRAVEN - mocowania
- URSA - wełna mineralna, XPS
- THERMAL CERAMICS - materiały wysokotemperaturowe
- THERMAFLEX - polietyleny
- TERMO ORGANIKA - styropian, płyty PIR, chemia budowlana
- PERLIT POLSKA - perlit
- PERLIPOL - perlit
- QMAR - chemia budowlana
- SOUDAL - chemia budowlana
- METYLAN - chemia budowlana
- TANGIT - chemia budowlana
- SUPERGLASS - wełna mineralna
- ROCKWOOL - wełna mineralna
- PAROC - wełna mineralna
- LENZING - folie, taśmy
- PROMAX - styropian
- SWISSPOR - pokrycia dachowe, styropian
- ONDULINE - pokrycia dachowe, akcesoria dachowe
- NMC - kauczuki, polietylen
- STEICO - wełna drzewna, konopna, belki
- STOMIL SANOK - uszczelki
- METALPUR - otuliny PUR
- KONBET - materiały ścienne, stropowe
- MATIZOL - papy, gonty papowe
- WIGOLEN - tkaniny, geotkaniny
- RAVAGO - włókniny, xps
- SKAMOL VARMSEN - płyty kominkowe
- PROMAT - bierna ochrona ogniowa, materiały wysokotemperaturowe
- TEGOLA - papy, gonty papowe, xps
- ARBET - styropian
- EUROFIBRE - wełna mineralna
- EUROVENT - folie, akcesoria dachowe
- SIGMA COATINGS - farby
- ALPOL - chemia budowlana
- LEMAR - pokrycia dachowe
- SECCO - chemia budowlana
- IZOLBET - styropian, chemia budowlana, hydroizolacja, tynki
- CEKOL - chemia budowlana
- QUICK-MIX - chemia budowlana
- SEMIN - chemia budowlana
- BAUMASTER - chemia budowlana
- VG ORTH - chemia budowlana
- GRILTEX - włókniny, folie
- DOW - xps, polistyren ekstrudowany
- TERCA WIENERBERGER - cegła klinkierowa
- RYTM TRADE - chemia budowlana
- KAIMANN - kauczuki
- YETICO - styropian
- STYROPIAN PLUS - styropian
- STYROPOZ - styropian
- NEXLER - papy, gonty papowe
- BUD MAT - blachodachówki, blachy
- CEMBRIT - płytki dachowe
- AEROGELS - termoizolacja
- WEBER LECA - keramzyt
- EUROTERMIKA - styropian
- WEBER - chemia budowlana
- SYNTHOS - xps, polistyren ekstrudowany
- STYROPMIN - styropian
- EMULBIT - chemia budowlana
- SILKA XELLA - bloczki wapienno-piaskowe
- WEBER DEITERMANN - chemia budowlana
- BRAAS MONIER - dachówki
- PRUSZYŃSKI - blachodachówki, płyty warstwowe
- ECOPHON - panele ścienne, płyty sufitowe
- CERPOL - dachówki, pustaki
- KABE - chemia budowlana, farby, systemy ociepleń
- DEKORAL - farby, lakiery, impregnaty
- ROTO - okna, schody dachowe
- DOLINA NIDY - chemia budowlana
- STYRISOL - xps, polistyren ekstrudowany
- GAMRAT - systemy rynnowe, podsufitki, siding
- SOPRO - chemia budowlana
- ŚNIEŻKA - chemia budowlana
- VIDARON - chemia budowlana
- FOVEO TECH - chemia budowlana
- MAGNAT - chemia budowlana
- SENSEO - chemia budowlana
- MAPEI - chemia budowlana
- H+H - gazobeton
- IZOPANEL - płyty warstwowe
- PANELTECH - płyty warstwowe
- GEOCELL - szkło piankowe
- TEMAC - płyty uszczelkarskie
- FOLIMPEX - polietylen
- RECTICEL - płyty izolacyjne PIR
- WOLF BAVARIA - płyty akustyczne
- HAMMERITE - farby
- KNAUF BAUPRODUKTE - chemia budowlana
- KRONOPOL - podłogi, panele podłogowe
- ALIANS TRADE - geokomórki, geowłókniny
- ABC KLINKIER - klinkier
- CRH KLINKIER - klinkier
- YTONG XELLA - beton komórkowy, belki nadprożowe
- BLANCHON - chemia budowlana
- WAKOL - chemia budowlana
- WALMAR - płytki elewacyjne
- VILLAS - pokrycia dachowe, papy zgrzewalne
- STYROMAR - styropian
- STYROKON - styropian
- STYROPIANEX - styropian
- IZOTERM - styropian
- NEOTHERM - styropian
- STYRMANN - styropian
- SADOLIN - chemia budowlana
- AMORIM ISOLAMENTOS - korek
- AMPERE - farby znakujące
- CLIMOWOOL - wełna mineralna
- WERROWOOL - wełna celulozowa
- FWS - styropian
- HERAKLITH - wełna drzewna
- ISOLENA - wełna owcza
- ISOLGOMMA - materiały akustoizolacyjne, wibroizolacje
- IZOLEX - chemia budowlana
- JUSTYR - styropian
- KINGSPAN - termoizolacje
- KOESTER - chemia budowlana
- SCHOMBURG - chemia budowlana
- SIKA - chemia budowlana
- KOLGROST - styropian
- KRASBUD - styropian
- KRÓLCZYK - styropian
- SONAROL - styropian
- STYROMAP - styropian
- MAT - termoizolacje
- POLYCHEM - termoizolacje
- PITTSBURGH CORNING - szkło piankowe
- TEKTALAN - wełna drzewna
- THERMO HANF - wełna konopna
- VITCAS - materiały ceramiczne
- XPLO - płaszcze blaszane, termoizolacje
- MULTIPOR XELLA - materiały ścienne
- POROTHERM WIENERBERGER - bloczki ceramiczne
- CENTERFLEX - taśmy do płyt g-k
- PREFABET BIELSKO BIAŁA - beton komórkowy
- PREFABET OSŁAWA DĄBROWA - beton komórkowy
- STAHLTON - bloczki izolacyjne
- GRENA - materiały izolacyjne
- FINNFOAM - polistyren ekstrudowany
- XPLO OPAŁ - opał
- PETRALANA - wełna mineralna
- ACOUSTIC - akustoizolacja, wibroizolacja
- KRYSTALINE - chemia budowlana, hydroizolacja
- DRIZORO - hydroizolacja
- BOTAMENT - chemia budowlana, hydroizolacja
- RöBEN - ceramika budowlana, ceramika dachowa
- FOLIAREX - folie
- GUTTA - bitumiczne płyty faliste
- STYRHOP - styropian
- PIO-STYR - styropian
- THERMO NATUR - wełna jutna i konopna
- PRO CLIMA - folie i membrany
- AGATON LEHM - chemia budowlana na bazie gliny
- HADWAO - chemia budowlana, motoryzacyjna, gospodarcza
- REKOPLAST - maty, płyty gumowe
- PASSIVE HOUSE SYSTEMS - budownictwo energooszczędne
- SOFIT - sufity podwieszane
- PIZARRAS - łupki dachowe
- SEMPER - akustoizolacja
- JURAND - nadproża ceramiczne
- DOMAX - łączniki do drewna
- KNAUF FIREWIN - bierna ochrona ogniowa
- GALECO - systemy rynnowe
- TERMO PROTEKT - termoizolacja
- GARDEN FLORA - materiały ogrodnicze
- GREENATO - trawa ogrodowa
- ALPHA DAM - izolacje wodochronne i przeciwwilgociowe
- VINYLTECHLAB - podłogi winylowe
- ARSANIT - styropian
- ECOINSUL - wełna konopna
- GÓR-STAL - płyty PIR
- TUBAG - renowacja zabytków
- FEDA - chemia budowlana
- PSCOAT - system izolacji
- KRAIBURG PURASYS - wibroizolacja
- SYNTILOR - chemia budowlana
- PIGMENT - chemia budowlana
- GAUDIOS - chemia budowlana dekoracyjna
- SWISSPEARL - płyty dachowe
- NATURHELD - płyty z włókna drzewnego
- INOVGREEN - system stabilizacji gruntu
- VINCORE - podłogi winylowe
- ERBIS - pielęgnacja terenów zielonych
- FATRA - wykładziny podłogowe i ścienne PCV
- KIILTO - stavební chemie, hydroizolace, protipožární ochrana
- HAHNE - hydroizolacja
-
-
-
-
- Dyspersje polimerowe
-
- Emalie
- Emulsje
- Farby dekoracyjne
- Farby do basenów
- Farby do betonu
- Farby do drewna
- Farby do elewacji
- Farby do galwanizacji na zimno
- Farby do metalu
- Farby do oczek wodnych
- Farby do pokojów dziecięcych
- Farby do pomieszczeń mokrych
- Farby strukturalne
- Farby do termoizolacji kauczukowych
- Farby do znakowania
- Farby termoizolacyjne
- Farby wysokotemperaturowe
- Lakiery
- Wywabiacze graffiti
-
- Grunty do podłoży betonowych
- Grunty do powierzchni chłonnych
- Grunty do powierzchni porowatych
- Grunty bitumiczne
- Grunty do drewna
- Grunty elastyczne
- Grunty pod farby
- Grunty pod kleje i zaprawy klejowe
- Grunty pod tynki
- Grunty poprawiające przyczepność
- Grunty uniwersalne
- Grunty w powłokach hydroizolacyjnych
- Grunty wzmacniające podłoże
- Lakiery podkładowe
- Podkłady pod taśmy
- Grunty do powierzchni niechłonnych
- Podkłady podłogowe
-
- Akryle
- Folie w płynie
- Hydroizolacje bitumiczne
- Hydroizolacje mineralne
- Kity
- Powłoki żywiczne
- Pochłaniacze wilgoci
- Silikony
- Hydroizolacja balkonu, tarasu
- Hydroizolacja dachu
- Hydroizolacja dla drogownictwa
- Hydroizolacja do renowacji budowli
- Hydroizolacja do stosowania w deszczu i pod wodą
- Hydroizolacja do stosowania w temperaturach ujemnych
- Hydroizolacja fundamentów, piwnic
- Hydroizolacja łazienki, sauny
- Hydroizolacja muru
- Hydroizolacja posadzki
-
- Kleje cementowe
- Kleje dyspersyjne
- Kleje epoksydowe
- Kleje gipsowe
- Kleje hybrydowe
- Kleje kauczukowe
- Kleje konstrukcyjne
- Kleje kontaktowe
- Kleje montażowe
- Kleje poliuretanowe
- Kleje syntetyczne
- Kleje topliwy
- Kleje uniwersalne
- Kleje wodoodporne
- Kleje wysokotemperaturowe
- Kleje do akwariów
- Kleje do aluminium
- Kleje do butów
- Kleje do drewna
- Kleje do EPDM
- Kleje do folii
- Kleje do gazobetonu
- Kleje do gontów bitumicznych
- Kleje do kamieni i plytek elewacyjnych
- Kleje do korka
- Kleje do luster
- Kleje do paneli ściennych i podłogowych
- Kleje do parkietu
- Kleje do PCV
- Kleje do płytek, glazury, gresu, terakoty
- Kleje do tapet
- Kleje do termoizolacji kauczukowych
- Kleje do wykładzin podłogowych
-
- Silikony akwariowe
- Silikony dekarskie
- Silikony do kominków
- Silikony do luster
- Silikony do marmuru, granitu, kamienia
- Silikony do wanien
- Silikony dylatacyjne
- Silikony kolorowe
- Silikony motoryzacyjne
- Silikony neutralne
- Silikony ognioodporne
- Silikony sanitarne
- Silikony szklarskie
- Silikony uniwersalne
- Silikony wysokotemperaturowe
- Smary silikonowe
-
- Systemy ociepleń - farby
- Systemy ociepleń - grunty
- Systemy ociepleń - kleje
- Systemy ociepleń - materiały pozostałe
- Systemy ociepleń - siatki zbrojące, osłonowe
- Systemy ociepleń - styropiany
- Systemy ociepleń - tynki
- Systemy ociepleń - wełny mineralne
- Systemy ociepleń - xps polistyreny ekstrudowane
- Systemy ociepleń - Alpol
- Systemy ociepleń - Atlas
- Systemy ociepleń - Baumit
- Systemy ociepleń - Bolix
- Systemy ociepleń - Ceresit
- Systemy ociepleń - Kabe
- Systemy ociepleń - Kreisel
- Systemy ociepleń - Rockwool
- Systemy ociepleń - TermoOrganika
- Systemy ociepleń - Baumaster
- Systemy ociepleń - Fast
- Systemy ociepleń - Foveo Tech
- Systemy ociepleń - Izohan
- Systemy ociepleń - Quick-mix
- Systemy ociepleń - Śnieżka
- Systemy ociepleń - Weber
- Systemy ociepleń - Cekol
- Systemy ociepleń - Solbet
- Systemy ociepleń - Izolbet
- Środki do iniekcji
-
- Kity bitumiczne
- Kity do wypełniania dylatacji
- Kity do parkietów
- Kity szklarskie
- Uszczelniacze akrylowe
- Uszczelniacze bitumiczne
- Uszczelniacze dekarskie
- Uszczelniacze do betonu
- Uszczelniacze do blach
- Uszczelniacze do dachówek
- Uszczelniacze do pieców
- Uszczelniacze hybrydowe
- Uszczelniacze poliuretanowe
- Uszczelniacze wysokotemperaturowe
- Wodouszczelniacze
- Kity ceramiczne
- Preparaty biobójcze
-
-
-
- Łupki kamienne
- Podbitka dachowa
-
- Papy wierzchniego krycia
- Papy podkładowe
- Papy paroizolacyjne
- Papy mostowe
- Papy samoprzylepne
- Papy o ograniczonym stopniu palności - NRO
- Papy na dachy odwrócone - zielone dachy
- Papy laminowane folią aluminiową
- Papy perforowane - wentylacyjne
- Papy tradycyjne
- Papy zgrzewalne
- Papy antykorzenne
- Papy do pokryć jednowarstwowych
- Papy do renowacji
- Papy szalunkowe
- Panele dachowe
-
-
- Papy wierzchniego krycia
- Papy podkładowe
- Papy izolacyjne
- Papy wentylacyjne - perforowane
- Papy mostowe
- Papy zgrzewalne
- Papy mocowane mechanicznie
- Papy samoprzylepne
- Papy do pokryć jednowarstwowych
- Papy antykorzenne
- Papy na dachy odwrócone, zielone
- Papy ogniodporne - NRO
- Papy tradycyjne
- Papy modyfikowane
- Papy oksydowane
- Papy do renowacji
- Papy laminowane folią aluminiową
- Papy paroizolacyjne
- Papy szalunkowe
-
-
- DRABEX - drabiny, rusztowania
- KOMA - palniki do zgrzewania papy
- ZDZ - maszyny blacharskie, dekarskie
- TCEZ - maszyny blacharskie, dekarskie
- MAAD - maszyny blacharskie, dekarskie
- MAZANEK - maszyny blacharskie, dekarskie
- SOREX - maszyny blacharskie, dekarskie
- TEREX - agregaty do zasypywania
- AGRO-WIKT - betoniarki
- KALETA - agregaty tynkarskie
- TECNOVER - agregaty malarskie
- ROKAMAT - szlifierki
- ENAR - maszyny budowlane
- BOSCH - elektronarzędzia
- LEISTER - dmuchawy, nagrzewnice, automaty zgrzewające
- TECNA - zgrzewarki
- AEG - elektronarzędzia
- ALTRAD BELLE - maszyny i urządzenia budowlane
- ZARGES - rusztowania, drabiny
- BESTER LINCOLN ELECTRIC - spawarki, prostowniki
- TELWIN - prostowniki i testery do akumulatorów
- POWER TEC - nagrzewnice, dmuchawy
- ITM - nagrzewnice, dmuchawy
- MAKITA - elektronarzędzia
- PROMA - narzędzia
- SKAMET - podnośniki
- PRO-SPRAY - agregaty malarskie, szlifierki
- SKIL - nożyce
- DRABEST - drabiny, rusztowania
- FAKRO - okna dachowe, schody strychowe
- DEDRA - elektronarzędzia
- NORTON CLIPPER - maszyny budowlane
- SIMA - urządzenia i maszyny budowlane
- PROBST - chwytaki i urządzenia instalacyjne
- EICHINGER - urządzenia budowlane
- CHICAGO PNEUMATIC - pneumatyka przemysłowa
- AIRCRAFT - maszyny pneumatyczne
- METALLKRAFT - maszyny do obróbki metalu
- CLEANCRAFT - odkurzacze przemysłowe i budowlane
- OPTIMUM - maszyny do obróbki metalu
- HOLZKRAFT - maszyny stolarskie
- HOLZSTAR - maszyny stolarskie
- UNICRAFT - maszyny i wyposażenie warsztatu
- SCHWEISSKRAFT - urządzenia spawalnicze
- REHM - urządzenia spawalnicze
-
- HKS LAZAR - kotły, kominki, piece
- INSTAL PROJEKT - grzejniki łazienkowe
- PURMO - grzejniki
- ARYSTO - kominki, wkłady kominkowe, piece
- FERROLI - klimatyzatory
- LG - klimatyzatory
- THORMA - kominki, piece
- KAWMET - kominki, piece
- PLUM - automatyka ciepłownicza
- BERTRAMS - przewody spalinowe
- KOMINFLEX - przewody spalinowe
- DREAMFIRE - kominki gazowe
- AFS - przewody wentylacyjne
- KOBOK - wkłady kominkowe, kominki
- DEC - przewody wentylacyjne
- DARCO - systemy DGP, systemy wentylacyjne, systemy kominowe
- MCZ - piece i wkłady kominkowe na drewno i pellet, kotły na pellet
- CADEL - piece i wkłady kominkowe na pellet
- TATAREK - automatyka ciepłownicza
- DK SYSTEM - automatyka ciepłownicza
- DOVRE - kominki, wkłady kominkowe, piece
- HAJDUK - wkłady kominkowe, kominki
- HEIN - piece kaflowe
- HITZE - kominki, biokominki, wkłady kominkowe
- INFIRE - biokominki
- SPARTHERM - kominki, biokominki, wkłady kominkowe
- KAL-FIRE - kominki gazowe
- DIMPLEX - kominki elektryczne
- FOCUS - kominki gazowe, kominki na drewno
- BEF - wkłady kominkowe, kasety kominkowe, piece
- PRODMAX - systemy DGP, systemy wentylacyjne, systemy kominowe
- JAWAR - kominy , pustaki wentylacyjne
- ASPILUSA - centralne odkurzanie
- VACUFLO - centralne odkurzanie
- FIREANGEL - czujniki dymu, tlenku węgla, gazu ziemnego
- SCHIEDEL - kominy ceramiczne
- HOCH - kominy ceramiczne
- KONWEKTOR - wentylacja
- COLIBRI - wentylacja
- VTS - kurtyny powietrzne, nagrzewnice wodne
- DAHUA - kamery przemysłowe, rejestratory
- HARMANN - wentylacja
- VENTS - wentylacja
- BLAUBERG - wentylacja
- VENTURE INDUSTRIES - wentylacja
- MEBLOMAT - meble
- PICHETA - ogrodzenia
- ELEKTRA - kable i maty grzewcze
- TONA - kominy ceramiczne
- DAIKIN - klimatyzatory
- RAIN BIRD - systemy nawadniające
- SIMPLE FIRE - biokominki
- THESSLA GREEN - rekuperatory, nagrzewnice, instalacja wentylacyjna
- NETECS - wentylacja
- HEATRO - wkłady kominkowe, kominki
- METALPLAST - wentylatory przemysłowe
- ZEHNDER - panele słoneczne
-
-
- Płyty warstwowe
- Styropapa
-
- Akustoizolacja
- Dachowy
- Do BSO
- Do ETICS
- Do fundamentów
- Do izolacji akustycznej
- Do metody lekkiej mokrej
- Do ociepleń
- Do reklam
- Do zasypywania
- Fundamentowy
- Hydroizolacja
- Między krokwie
- Między legary
- Na cokoły
- Na dachy
- Na drogi
- Na elewację
- Na fasadę
- Na izolacje zimnochronne zbiorników
- Na mosty
- Na opakowania
- Na parking
- Na poddasze
- Na podłogi
- Na rurociągi
- Na spady dachowe, kliny dachowe
- Pod ogrzewanie podłogowe
- Pod podłogi pływające
- Pod wylewkę
- Systemy ociepleń
- W mury warstwowe
- w szczeliny
- W ściany trójwarstwowe
-
-
- Dachy płaskie
- Dachy skośne, poddasza użytkowe
- Fundamenty
- Podłogi na legarach na gruncie
- Podłogi na legarach na stropie
- Podłogi pływające na gruncie
- Podłogi pływające na stropie
- Stropy drewniane
- Stropy nad garażami, systemy garażowe
- Stropy nad przejazdami, stropy nad przejściami
- Stropy piwniczne
- Sufity podwieszane
- Stropodachy wentylowane, poddasza nieużytkowe
- Ściany działowe
- Ściany hal stalowych
- Ściany o konstrukcji szkieletowej, lekkie ściany szkieletowe
- Ściany osłonowe
- Ściany trójwarstwowe - szczelinowe, mury trójwarstwowe
- Ściany z elewacja z kamienia i szkła - fasady wentylowane
- Ściany z elewacja z paneli, blachy, sidingu, desek - fasady wentylowane
- Ściany z elewacja z tynku, metoda lekka mokra
- Tarasy
- Maszyny i narzędzia do wełen izolacyjnych
-
-
-
-
- Aerogel
- Beton
- Drewno i materiały drewnopochodne
- Farba, impregnat
- Kauczuk
- Keramzyt
- Korek
- Materiały ceramiczne
- Materiały wiórowo-cementowe
- PCV - PVC
- Perlit
- Polietylen PE
- Polistyren ekstrudowany XPS
- Poliuretan PUR
- Poliizocyjanurat PIR
- Rezol
- Styropian EPS
- Szkło piankowe
- Wełna drzewna i konopne
- Wełna mineralna
- Wełna owcza
- Wełna ceramiczna
- Wełna celulozowa
- Wermikulit
- Silikon
- Akryl
- Szamot
-
- Izolacja termiczna kotła
- Izolacja termiczna drzwi, bramy
- Izolacja termiczna aparatu odpędowego
- Izolacja termiczna armatury
- Izolacja termiczna balkonu, tarasu
- Izolacja termiczna basenu, pływalni
- Izolacja termiczna centrali klimatyzacyjnych
- Izolacja termiczna chłodni samochodowych
- Izolacja termiczna chłodni wagonowych
- Izolacja termiczna cysterny
- Izolacja termiczna czopucha kotła
- Izolacja termiczna elektrofiltru
- Izolacja termiczna fundamentów
- Izolacja termiczna generatora pary
- Izolacja termiczna kanałów spalin
- Izolacja termiczna kanałów wentylacyjnych
- Izolacja termiczna kolumny rektyfikacyjnej
- Izolacja termiczna komina
- Izolacja termiczna kominka
- Izolacja termiczna komory ciepłownicze
- Izolacja termiczna łazienki
- Izolacja termiczna pieca
- Izolacja termiczna przepustu instalacyjnego
-
- Izolacja termiczna instalacji chłodniczej
- Izolacja termiczna instalacji CO i CW
- Izolacja termiczna kanalizacji
- Izolacja termiczna klimatyzacji
- Izolacja termiczna instalacji przeciwpożarowych
- Izolacja termiczna instalacji sanitarnej
- Izolacja termiczna instalacji solarnej
- Izolacja termiczna instalacji tlenowej
- Izolacja termiczna instalacji tryskaczowych
- Izolacja termiczna instalacji wentylacyjnej
- Izolacja termiczna instalacji parowej
- Izolacja termiczna rurociągu
- Izolacja termiczna sauny
- Izolacja termiczna sufitu
-
- Izolacja termiczna ściany trójwarstwowej szczelinowej, mur trójwarstwowy
- Izolacja termiczna ściany działowej, ściany wewnętrznej
- Izolacja termiczna ściany hali stalowej
- Izolacja termiczna ściany szkieletowej, ściany o konstrukcji szkieletowej
- Izolacja termiczna ściany osłonowej
- Izolacja termiczna ściany z elewacja z kamienia i szkła, fasady wentylowane
- Izolacja termiczna ściany z elewacja z tynku, metoda lekka mokra
- Izolacja termiczna ściany zewnętrznej
- Izolacja termiczna turbiny
- Izolacja termiczna zbiornika
- Izolacja termiczna poddasza
-
-
-
-
-
- Kotły
- Grzejniki
- Nagrzewnice
- Piece
-
- Akcesoria kominowe
- Czujniki dymu, tlenku węgla, gazu ziemnego
- Dystrybucja gorącego powietrza, DGP
- Kominy ceramiczne
- Kominy do urządzeń na gaz
- Kominy do urządzeń na olej opałowy
- Kominy do urządzeń na paliwa stałe
- Kominy izolowane
- Kominy stalowe
- Kominy i kominki wentylacyjne
- Nasady kominowe
- Zestawy kominowe
- Pompy ciepła
- Ogrzewanie podłogowe
- Osprzęt
- Paliwa
- Podgrzewacze wody
- Wymienniki ciepła
-
- Akcesoria
- Folie akustoizolacyjne
- Folie bąbelkowe
- Folie budowlane
- Folie dachowe
- Folie do izolacji poziomej
- Folie fundamentowe
- Folie hydroizolacyjne
- Folie i pianki pod podłogi, panele podłogowe
- Folie malarskie
- Folie paroizolacyjne, paroizolacja
- Folie wiatroizolacyjne, wiatroizolacja
- Folie w płynie
- Folie termoizolacyjne
- Folie zbrojone
- Geowłókniny
- Membrany dachowe
- Narzędzia i maszyny
- Siatki
- Taśmy
- Tkaniny techniczne
- Folie instalacyjne techniczne
-
-
- Anemostaty
- Aparaty nawiewne
- Centralne odkurzanie
- Centrale wentylacyjne
- Czerpnie i wyrzutnie
- Czujniki tlenku węgla i dymu
- Dystrybucja gorącego powietrza
- Filtry
- Klimatyzatory, klimatyzery
- Kominki wentylacyjne i wywietrzaki
- Kratki wentylacyjne
- Kurtyny powietrzne
- Nagrzewnice i dmuchawy
- Nasady kominowe
- Podstawy dachowe
- Przepustnice
- Rewizje, drzwiczki
- Tłumiki
- Promocje
- Wyprzedaż %
-
-
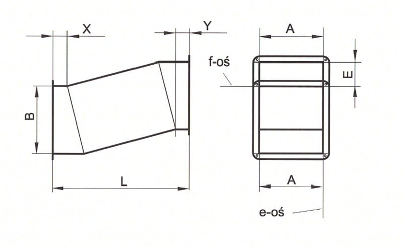
Products description
Symmetrical offset.
properties
- made of galvanized steel sheet
- joining with a tinplate lock
- class of execution N (according to PN-B-03434)
- tightness class A (according to PN-B-76001)
- standard dimension X = Y = 30 mm

Napište svůj názor
Zkontrolovat před odesláním
Váš komentář byl přidán a bude zobrazen po schválení moderátorem.
Vaši recenzi nelze odeslat
16 dalších produktů ve stejné kategorii:
Předchozí
Další
Předchozí
Další
Reviews
0 clients reviews
Vaše hodnocení nelze odeslat
Nahlásit komentář
Zpráva odeslána
Váš podnět nelze odeslat